Burris FASTFIRE 3 – Adapter für co-witness AR-15 Montage

Mein Burris FASTFIRE 3 sitzt nicht nur auf meiner CZ75, sondern auch auf meinem MR223, da ich, vorerst, zu geizig bin, mir ein zweites Rotpunkt zuzulegen.

Damit das FASTFIRE3 auf M1913 Montage-Schienen (a.k.a. Picatinny) montiert werden kann, liefert Burris freundlicherweise einen entsprechenden Picatinny-Adapter inklusive Montageschrauben mit. Allerdings sitzt das FASTFIRE3 damit mehr oder weniger direkt auf der Montageschiene. Als zusätzliches Zubehör gibt es eine sogenannte co-witness Montage für AR-Typ / -Höhe Kimme und Korn. Mit dem Adapter sitzt der Rotpunkt auf der gleichen Höhe wie Kimme und Korn und kann parallel verwendet werden.

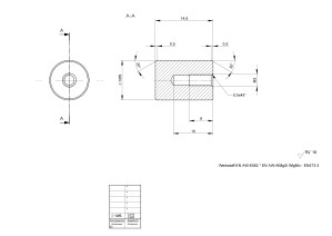
Da der Adapter allerdings noch einmal ca. die Hälfte des Rotpunktvisiers kostet und prinzipiell nur ein Höhen-Adapter zwischen FASTFIRE3 und Picatinny-Montage montiert werden muss, versuche ich mich genau daran. In Sketchup entsteht ein Modell für den Höhen-Adapter mit passenden Bohrungen für die Montageschrauben und Pins bzw. passenden Sacklöchern für die Positionierung des FASTFIRE3 auf dem Picatinny-Adapter.

Der mitgelieferte Adapter kommt, als amerikanisches Produkt, mit nicht-metrischen Schrauben. M3 lassen sich zwar einschrauben, bei festerem Anziehen rutschen die Gewinde jedoch durch.

Da durch das FASTFIRE3 keine M4 Schrauben durch passen, muss in den Picatinny-Adapter ein Gewindeeinsatz eingebracht werden. Dazu werden die Gewindelöcher auf 5mm aufgebohrt, ein Konus von der Unterseite eingebracht und ein passender Gewindeeinsatz aus Edelstahl mit M3 Innengewinde hergestellt.

Alle Bauteile für die Montage des FASTFIRE3 auf einem AR in co-wittness Höhe:

FASTFIRE3-4

Und die Ansicht von der Unterseite, zusammengesetzt. Die Schrauben sind bündig eingekürzt, da sie direkt auf der Picatinny Schiene aufliegen. Die Gewindeeinsätze sind seitlich abgefeilt, da sie sonst mit der Klemmschraube des Picatinny Adapters kollidieren.

FASTFIRE3-8

Das Burris FASTFIRE3 mit Adapter montiert auf einem HK MR223, mit und ohne Schutzhaube.

FASTFIRE3-9

FASTFIRE3-10

Zu guter Letzt noch ein Blick durch Kimme und Korn mit dem Rotpunkt.

FASTFIRE3-3

 

Burris FASTFIRE 3 – Rotpunkt für Pistole und Gewehr

In meinem ersten Artikel auf diesem Blog, habe ich eine günstige, chinesische Hommage an ein hierzulande exorbitant teures, amerikanisches Produkt auf meine CZ75 montiert. Dazu habe ich die mitgelieferte Montage modifiziert und einen Schwalbenschwanz-Adapter für die Schwalbenschwanzfräsung der Kimme angefertigt. Wie zu erwarten, war die Kopie nicht für die Erschütterungen der direkten Schlittenmontage geeignet. Der Rotpunkt hat sich nach 2 Schuss ins Nirvana verabschiedet. Da die Pistole danach die meiste Zeit im Schrank lag, gab es keinen Grund das Rotpunkt gegen ein funktionales zu Tauschen. Wenn geschossen wurde, dann mit dem 6″ Wechselsystem mit Kimme & Korn.

Auf meinem MR223 schieße ich von Beginn an ein Tac-Vector 1-6×24, welches in Ordnung aber nicht weltbewegend ist. Seit längerer Zeit denke ich darüber nach, dieses durch ein 1x vergrößerndes Rotpunktvisier zu ersetzen.

Für den bevorstehenden Besuch auf der IWA 2019 hatte ich mir vorgenommen, Rotpunktvisiere in Augenschein zu nehmen und eine fundierte Kaufentscheidung zu treffen. Angesehen habe ich mir:

  1. Ampoint: Comp M5, M4, M3
  2. Holosun: diverse Modelle
  3. docter / noblex: docter sight 2+, 3
  4. Burris: FASTFIRE 2, 3
  5. Meopta: Meosight 3

Alle diese Rotpunktvisiere waren, von zuvor Durchschauenden,  nach meiner Meinung viel zu hell eingestellt. Der Punkt franste auch bei den teuersten Modellen (Aimpoint Comp M5/ M4) immer extrem aus. Nach einer Nachjustierung, war dies meist in Ordnung. Dennoch fand ich die meisten Punkte immer noch zu „fransig“ und waren mir persönlich die 800-900€ für bspw. ein Aimpoint Comp M5 nicht wert.

Das Rotpunktvisier, dass mir persönlich aus der Auswahl am besten gefallen hat, war das Burris FASTFIRE 3. Der Punkt war sehr klar, bei passend vorausgewählter Leuchtstufe, und die nachgeschaltete, automatische Helligkeitsanpassung hat hervorragend nachgeregelt. Für ca. 300€ ist es auch etwas erträglicher in der Anschaffung.

Natürlich ist ein Burris FASTFIRE 3, als primär für den sportlichen Einsatz auf Faustfeuerwaffen gedachtes Rotpunktvisier, nur bedingt mit den für militärischen Einsatz auf Langwaffen konzipierten Aimpoints etc. zu vergleichen. Da meine Anwendung aber die sportliche ist und das Rotpunktvisier auf Pistole und Gewehr zum Einsatz kommen soll, denke ich hier eine passende Wahl getroffen zu haben. Mehr zum Burris FASTFIRE 3 an sich, der Montage auf dem MR223 und schließlich auch auf der CZ75 in den kommenden Beiträgen.

 

Zielfernrohr Tac Vector Optics 3-18×50

Tac Vector Optics 3-18x50 01

In diesem Beitrag wird wiederum ein Zielfernrohr getestet – nur diesmal ist es zur Abwechslung wieder mein eigenes. Bisher war ich mit dem Zielfernrohr 3-12×44 SWAT von UTG recht zufrieden. Dass es im Kaliber .223 Rem. schussfest ist, sollte nach ca. 2000 Schuss mittlerweile auch bewiesen sein. Da ich mir von Hera Arms aber ein neues Upper in 16,75“ Länge bestellt habe, muss nun zwangsläufig auch eine neue Optik her. Die zukünftige  Strategie war also schnell gefunden: Das neue Upper wird leicht und soll es mit (altem) ZF auch bleiben, hiermit soll fortan vorwiegend im Knien und Stehen geschossen werden. Das alte Upper hingegen wird nur noch zum liegenden Schießen verwendet, hierfür sollte ein neues Glas beschafft werden, das jetzt auch etwas größer ausfallen durfte: Das Tac Vector Optics 3-18×50 mit ¼-MOA-Klickverstellung und 30mm-Mittelrohr zu einem Preis von 170 Euro inkl. Versand ist es schließlich geworden.

Schon wieder so´n günstiges Glas wie das von UTG?

Ja!

Mal ein Gedanke nebenbei: Ich beobachte viele Schützen, die neben Ihren recht teuren Waffen bisweilen Zieloptiken kaufen, die der eigentlichen Waffe preislich kaum nachstehen. Wer das Geld übrig hat, kann sich glücklich schätzen. Ob ich es übrig habe, lasse ich an dieser Stelle offen, es würde ohnehin nichts zur Sache beitragen. Aber eines ist für mich sicher: Ich will es einfach nicht ausgeben! Zu einer guten Präzision trägt der Schütze natürlich viel selbst bei, vorausgesetzt, dass seine Waffe leistungsfähig ist und damit eine solide Basis darstellt. Dazu gehört meiner Meinung nach aber vor allem ein hervorragender Lauf und die Tatsache, dass das Zielfernrohr absolut fest auf der Waffe montiert ist. Ob dieses Zielfernrohr nun erst- oder zweitklassig ist, das spielt meiner Ansicht nach keine Rolle. Beurteilt man das ZF nach seinem Preis, würde es eher schlecht wegkommen. Und wenn wir ehrlich sind, tun wir das doch irgendwie auf den ersten Blick, oder? Ist ja auch nicht verwunderlich, wenn wir in einschlägigen Fachzeitschriften stets von den tollsten hochpreisigen Gläsern renommierter Hersteller lesen. Eines wie das, über das ich hier schreibe, würde man in solchen Zeitschriften doch höchstens auf den letzten Inseratsseiten finden. Einen kompletten Artikel wird es der Redaktion wohl eher nicht wert sein.

Und warum kauft der Kerl überhaupt ein solch günstiges Glas? Na, weil ich von meiner Meinung überzeugt bin und weil es mir 170 Euro wert waren, es schließlich auszuprobieren.

Zum ZF habe ich außerdem noch eine Blockmontage von Leupold ergattern können, ironischerweise lag deren damaliger Kaufpreis sogar noch über dem des ZFs von Tac Vector Optics – Tim hat sie mir aber noch für einen guten Preis überlassen …

Erste Eindrücke

Ja, ich war skeptisch beim Auspacken und bin es eine ganze Weile auch geblieben. Äußerlich betrachtet hat das Glas mit seiner Mono-Tube einen robusten Eindruck gemacht, es gab keine mechanischen Bearbeitungsspuren, das Finish der Oberfläche mit Eloxal war tadellos. Die außen aufgedruckten Artikelmerkmale und –bezeichnungen waren hingegen nicht immer sauber aufgedruckt, bei einem Glas höherer Qualität wäre das wahrscheinlich nicht passiert. Beim ersten Durchsehen war ich erfreut über das klare Bild und das sehr fein gehaltene Absehen.

Zubehör

Direkt am Objektiv befindet sich ein schmaler abschraubbarer Ring, an seiner Stelle kann der mitgelieferte Killflash installiert werden. Es sind zwei Flip-Caps mit dabei und zwei Montageringe mit Torx-Werkzeug sowie ein Reinigungstuch liegen ebenfalls bei. Irgendwie ein Rundum-Sorglos-Paket, wie beim Zielfernrohr von UTG.

Montage

Vor dem Einsatz steht natürlich die Montage an, hier entstehen unter Umständen erst mal weitere Kosten: Dass die Montageringe gleich mitgeliefert werden ist klasse, jedoch ist das Glas damit nicht montierbar, wenn die Waffe eine durchgehende und gerade Picatinny-Schiene wie bei meinem AR besitzt. Richtig ärgerlich, wenn man mit seinem neuen Spielzeug gleich loslegen will, denn das Objektiv berührt die Oberseite der Schiene. Hier helfen nur noch Montagen mit einer Höhe von 21-22mm weiter (die beiliegenden haben eine von ca. 15mm). Besitzer eines Repetiergewehrs mit einer teilweisen Picatinny-Schiene, die z.B. auf der Laufhülse montiert ist, sind hingegen besser dran. Durch eine vorhandene Höhendifferenz zwischen Schiene und Laufhülse gibt es hier wieder genügend Platz für das Objektiv. Die Befestigung der Montageringe an der Picatinny-Schiene erfolgt übrigens über Sechskantmuttern – für mich immer ein Garant dafür, dass man das Glas auch wirklich fixiert bekommt, von Rändelmuttern kann ich nur abraten.

Im Einsatz

Die Verstellmöglichkeiten für die Dioptrien am Okular und die Vergrößerung am Tubus waren beide relativ schwergängig. Beide Einstellmöglichkeiten werden dann aber doch eher selten benutzt. Die Höhen- und Seitenverstelltürme auf 12- und 3-Uhr können genullt werden und deren Klickverstellung passt zur Graduierung, die sich auf dem Zylindermantel befindet. D.h., auch nach großer Verstellung rasten die Türme auf einem Teilstrich ein und nicht etwa daneben. Am Rastpunkt besitzen die Höhen- und Seitenverstelltürme allerdings eine gewisse Flexibilität, so kann man sie am Rastpunkt einen wirklich winzigen Bereich in beide Richtungen drehen, bevor sie am nächsten Punkten einrasten.

Der Parallaxeturm auf der 9-Uhr-Position ist hingegen leichtgängig und besitzt Einstellungen für die Distanzen 10, 15, 25, 30, 50, 100 und 300 Yards, sowie unendlich. Das Absehen ist fein gehalten, befindet sich in der zweiten Bildebene (wird also nicht mit vergrößert/verkleinert) und wirkt glücklicherweise nicht Überladen an Informationsflut. Auf 100m konnte ich die Einschüsse im Kaliber .223 Rem. bei 18-facher Vergrößerung noch wirklich sehr gut erkennen, allgemein hat das Glas ein sehr gutes Bild erzeugt. Man darf auch etwas erwarten, wenn der Hersteller/Importeur mit Schott-Gläsern aus Deutschland und einer Lichttransmission von 90% wirbt.

Die nachfolgenden Schussbilder (alle hinten aufgelegt mit Zweibein) zeigen, dass ein Glas auch günstig sein darf:

Das erste Schussbild zeigt 10 Schuss durch mich auf 100m, das zweite ca. 20-25 Schuss durch einen erfahrenen Schützenkollegen auf 100m. Es wurde bei Übergabe nichts am ZF verstellt, die Treffpunktverlagerung ist dem Schützen zuzuschreiben. Das dritte Schussbild (wiederum 10 Schuss) entstand in einer Halle auf einer Distanz von 50m. Hier ist deutlich zu erkennen, dass das Projektil im Bereich von 50-100m noch am Steigen ist.

Vergleich beider Absehen des Tac Vector Optics 3-18×50 (links) und des kürzlich vorgestellten IOR 4-28×50 (rechts). Eine gewisse Ähnlichkeit ist schon da.

Fazit und Vergleich mit dem ZF von UTG

Der Lieferumgang ist groß und im Vergleich zum UTG mit Killflash und Reinigungstuch sogar leicht umfangreicher. Der Umstand mit den Montageringen ist blöd, nach diesem Review weiss man aber zumindest, worauf man achten sollte. Der Verstellbereich der Vergrößerung ist mit 18-fach natürlich größer als mit 12-fach beim UTG, ein direkter Vergleich wäre hier unfair. Auch beim ZF von UTG findet man die erwähnte Flexibilität rund um den Rastpunkt der Klickverstellung, aber beim UTG passt nach einer gewissen Umdrehung die Graduierung leider nicht mehr zum Rastpunkt.

Alles in allem ist das Bild beim Tac Vector Optics zudem aber bedeutend besser: Das Objektiv ist größer und kann dadurch natürlich mehr Licht sammeln, das Mittelrohr ist in beiden Fällen mit 30mm Durchmesser gleich, die Verwendung der Schott-Gläser in Verbindung mit dem filigranen Absehen und der besseren Lichttransmission macht das Tac Vector Optics aber zum klaren Favoriten: Kaufempfehlung!!! Und zwar noch deutlich vor dem UTG!

Kommen wir abschließend noch zu den Nachteilen des ZFs: Hier vermisse ich Klemmringe für die Höhen- und Seitenverstelltürme, jenes von UTG hat welche. Die Flip-Caps haben außerdem einen dermaßen hohen Öffnungswiderstand, dass man sie bei Gebrauch von Okular und Objektiv abziehen würde – sie sind schlichtweg unbrauchbar! Die Verstellung der Vergrößerung ist wegen der Schwergängigkeit etwas umständlich, bestünde die Gefahr einer versehentlichen Verstellung,  könnte man das im Zweifelsfall aber auch wieder positiv auslegen. Auf jeden Fall punktet hier das ZF von UTG mit einer Art Nocke am Verstellring, die die Handhabung vereinfacht – beim Tac Vector Optics sucht man diese vergebens. Zuletzt sei noch bemängelt, dass der Verstellbereich der Dioptrien ruhig auf dem Okular hätte aufgedruckt sein können, ich kenne den Verstellbereich aktuell immer noch nicht. Der günstige Preis muss sich meiner Meinung nach schließlich auch irgendwo wiederfinden, dass tut es möglicherweise bei der Qualitätskontrolle. Bei meinem ersten Glas war leider das Absehen relativ zu den Türmen um einige Grad geneigt montiert. Die Reklamation beim Verkäufer verlief hingegen überraschend einfach: Nach Erhalt meiner Mail wurde sofort (!!!) ein weiteres Glas verschickt, das zwei Tage später inklusive Retourenschein für das erste ZF auch bei mir eintraf – vorbildlicher Kundenservice!

Erhältlich sind die Produkte von Tac Vetcor Optics hierzulande über folgenden Importeur: https://www.profis.shop

Nachtrag Okt. 2018:

Ich habe mir endlich mal neue Schutzkappen von Butler Creek für das ZF gekauft, folgende Artikel passen:

Objektiv: Art. # 30400, Durchmesser 57,2mm

Okular: Art. # M20190, Durchmesser 43,9mm

Nachtrag Okt. 2019:

Sehr schade, aber mir ist das Everest im Juni 2019 auf einem Longrange-Event ohne weiteres Zutun von mir selbst leider kaputt gegangen. Diesmal war es die Parallaxe, die es nicht mehr erlaubt hat, das Sichtfeld scharf zu stellen, bzw. die eine Schärfe-/Unschärfeverstellung im Schuss verursacht hat – nach insgesamt ca. 2000 Schuss im Kaliber .223 Rem. Der Service des Importeurs ist immer noch vorbildlich, ich habe umgehend ein neues ZF erhalten, auf das ich natürlich wiederum 5 Jahre Garantie erhalten habe (zumindest gehe ich davon aus). Aber nachdem ich mittlerweile die vierte Umtauschaktion hinter mir habe (verschiedene Modelle von Tac Vector Optics, hauptsächlich Paragon und Everest) und von zwei Umtauschaktionen von Marvin weiss, kehre ich dieser Marke nun endgültig den Rücken. Die Leistung des ZFs mitsamt seinem Zubehör ist für den Preis wirklich gut, aber die Haltbarkeit lässt zu wünschen übrig und die macht bezüglich Qualität eben auch etwas aus. Meine eingangs vertretene Meinung, dass man auch mit preiswerten Gläsern schießen kann, sei hiermit also revidiert – Asche auf mein Haupt…

Mittlerweile habe ich mir bei Heinz Henke für das 18-Zoll -AR-15 ein neues Sightron S-TAC 4-20×50 mit MOA-2-absehen gekauft.

Neben dem Typ „S-III 8-32×56 Long Range Target“, die ich bereits auf meinem Schweden und meiner Savage 10 BA montiert habe, bleibe ich der Marke auch weiterhin treu, denn sie garantiert wirklich gute Qualität zu annehmbaren Preisen.

Nachtrag Dez. 2020:

Im Dezember 2020 ist nun sogar mein viertes Sightron für mein neues Projekt AG42B dazu gekommen: abermals ein SIII 8-32×56, diesmal aber das Modell Tactical mit MOA-2-Absehen. Eine Verbesserung ist mir gleich aufgefallen: Die „Nullung“ des Turms geschieht jetzt nicht mehr anhand von drei kleinen Madenschrauben ringsum am Verstellturm, sondern durch eine einizige zentrale, zur Turmachse koaxiale Senkschraube. Alukappen gibt es bei diesem Modell für die beiden Türme dann nicht mehr.

Zielfernrohr IOR 4-28×50

Hera Arms & IOR 4-28x50 1

Das Warten auf die erste eigene Waffe zieht sich ja leider endlos hin. Ich denke, da können fast alle Waffenbesitzer ein Lied von singen. Ein kleiner Trost ist es wenigstens, wenn so langsam schon mal das Zubehör angeliefert wird und man bereits im Vorfeld einige Dinge erproben kann.

Für einen Schützenkollegen in genau dieser Situation habe ich deshalb neulich mein AR-15 als Spielwiese zur Verfügung gestellt. Wie an der Überschrift ersichtlich, handelt es sich bei dem Ausrüstungsteil um ein Zielfernrohr der Marke IOR. Diese Firma ist in Rumänien ansässig und besteht seit 1936. Sie fertigt aktuell optische Ausrüstungen für Medizin, Freizeit und Militär.

Für Interessierte geht´s hier zur Homepage des Herstellers:

http://www.ior.ro/

Bei dem Zielfernrohr handelt es sich um das Modell 4-28×50 IL FFP Mil/Mil mit einem Durchmesser des ZF-Tubus´ von satten 40mm! Bei einem derart großen Mittelrohr-Durchmesser wäre meine nächste Sorge, die dazu passenden Montageringe zu finden. Der Kollege hat dieses Problem glücklicherweise schon im Vorfeld gelöst und zwei passende Montageringe mitgebracht. Der Clou an diesen Teilen ist, dass der vordere Montagering niedriger ausfällt als der hintere und sich durch die innen liegenden sphärischen Klemmschalen automatisch eine Vorneigung des ZFs einstellt, wenn man den Abstand der Ringe zueinander variiert. Nach kurzer Zeit hatten wir den Dreh raus und konnten das ZF korrekt montieren, sodass dann immer noch alle Verstellmöglichkeiten am ZF gegeben waren.

Nach der Demontage des Lowers wurde das Upper mit dem darauf montierten Monstrum von ZF dann kurzerhand mittels Adapter auf dem Dreibein-Stativ befestigt, sodass durch Lauf und Zielfernrohr blickend schon eine grobe Voreinstellung für das Einschießen stattfinden konnte. Hier der stolze ZF-Besitzer höchstpersönlich bei der Arbeit:

 

Das Glas selbst besitzt wie auch aus der Bezeichnung ersichtlich, eine verstellbare Vergrößerung von 4- bis 28-fach. Am Okular befindet sich der Einstellring für die Dioptrien im Bereich -3 bis +3. Der Höhenverstellturm befindet sich auf 12 Uhr und fällt entsprechend dem Mittelrohrdurchmesser ebenfalls recht groß aus. Seine Klickverstellung ist leichtgängig und exakt, wie man es von höher preisigen Zielfernrohren erwarten kann. Der Anwender kann den Höhenverstellturm mit einem Verstellbereich von 120 MOA /41 MIL nullen und findet direkt darunter noch ein arretierbares Stellrad für den sog. „Second Impact“. Das bedeutet, dass der Schütze sich für eine Entfernung oder Laborierung seiner Wahl eine Markierung setzen kann, die er mit dem Höhenverstellturm dann in kürzester Zeit einstellen kann. Die Klickverstellung beträgt übrigens 0.1 MRAD, das ist auf 100m Entfernung bezogen, genau 1cm pro Klick.

 

Auf 9 Uhr befindet sich schließlich der Wahlschalter für die Intensität des Leuchtabsehens in 12 Abstufungen, wobei der erste von 12 Rastpunkten dabei auf die Funktion „Aus“ entfällt. Versorgt wird das Leuchtabsehen von einer Batterie des Typs CR123.

Auf 3 Uhr ist der Seitenverstellturm, auch er ist schön griffig mit sauberen Rastpunkten – hier gibt es ebenfalls keinen Anlass für Beanstandungen.

 

 

 

Weiter vorne am Objektiv findet man koaxial zum Tubus das Stellrad für den Parallaxenausgleich und hier sind wir auch an – meiner Meinung nach – einem der wenigen Mankos des Zielfernrohrs. Zum Verstellen der Parallaxe muss der Schütze nämlich seitlich weit nach vorne an das Mittelrohr des ZFs greifen, wenn er gleichzeitig im Anschlag bleiben möchte. Bei anderen ZFs, bei denen der Parallaxenturm hingegen auf der 9-Uhr-Position angebracht ist, finde ich die Handhabung ergonomischer. Weiterhin ist beim IOR die Parallaxen-Skala von oben ablesbar – und nun? Aufrichten und nachschauen? Das wäre umständlich. Schauen wir uns die Skala mal genauer an: Ganze drei Einstellung sind zu sehen für 50m, 100m und Unendlich. Das ist extrem wenig, lässt aber darauf hoffen, dass das Glas vielleicht einfach mit wenig Einstellmöglichkeiten auskommt. Ich jedenfalls kann nur einen Vergleich zu meinem Sightron SIII ziehen und bei diesem bin ich für die vergleichsweise feine Skala zum Parallaxenausgleich dankbar. Hier weiss ich mittlerweile, welcher Teilstrich zu welcher Entfernung gehört. Ich muss aber auch erwähnen, dass die Schiessbahn nach 300m zu Ende war und wir nicht ausprobieren konnten, wie schnell oder bequem sich die Parallaxe beim IOR auf größere oder wechselnde Entfernungen tatsächlich einstellen lässt.

IOR 4-28x50 Detail 3

 

Eine weitere Auffälligkeit war ein „Linseneffekt“, der aufgetreten ist, sobald man auf stärkster Vergrößerung durch das ZF blickt (damit ist nicht der dunkle Randbereich gemeint, der sich ergibt, wenn man den Augenabstand zu sehr vergrößert). Das könnte aber auch ein gängiger Effekt sein, immerhin ist mir das bei einem Glas von Kahles auf der IWA 2016 auch aufgefallen. Schaut man bei maximaler Vergrößerung korrekt durch das Glas, ergibt sich ein sehr gutes Bild und der Effekt fällt gar nicht weiter auf. Sei es nun, dass das menschliche Gehirn diesen Effekt verarbeiten kann oder dass es durch die nur sehr geringen Bewegungen des Gewehrs beim Zielen gar nicht weiter auffällt.

 

Kommen wir zum Absehen, es liegt in der ersten Bildebene (FFP, First Focal Plane) und gefällt mir ausgesprochen gut, weil darin wenig „Informationsflut“ enthalten ist – aber das ist natürlich Geschmackssache. Es verändert zwar seine Größe bei Verstellung des Zooms, allerdings bleiben alle geometrischen Größen im Verhältnis erhalten, sodass Bilder stets wahrheitsgetreu zu sehen sind und das Ermitteln von Entfernungen weiterhin gut möglich ist.

IOR 4-28x50 Detail 7

 

Die Sonnenblende ist schließlich im Lieferumfang enthalten und muss meiner Meinung nach immer montiert sein, damit ZFs immer so groß wie möglich erscheinen! 🙂

 

Das nachfolgende Schussbild entstand liegend mit Zweibein und Sandsack am Hinterschaft auf einer Distanz von 100m durch einen Gastschützen, der an diesem Tag zum ersten Mal überhaupt schoss. Die Vergrößerung war mit 28-fach voll aufgedreht. Daraus ergeben sich für mich zwei Erkentnisse: Erstens kann man mit dem Glas, das für eine Distanz von 100m sicherlich „oversized“ ist, auf genau dieser Entfernung kaum etwas falsch machen und zweitens stimmt die Präzision meines AR´s nach mittlerweile rund 2200 Schuss glücklicherweise immer noch!

Schussbild Hera Arms - IOR 4-28x50

 

Mein Fazit:

Ein Zielfernrohr, das mit seinem großen Mittelrohrdurchmesser ordentlich aus dem Rahmen fällt und das bisher bekannte Erscheinungsbild von großem Objektiv und schlankem Mittelrohr dadurch hinter sich lässt. Der Übergang vom 40mm- Mittelrohr zum 50mm-Objektivdurchmesser ist marginal und lässt das ZF damit sehr massiv, fast schon überdimensioniert erscheinen.

Mir gefällt gerade das aber ausgesprochen gut und auch die Leistung lässt mit 90% Lichttransmission (laut Hersteller) und einem subjektiv sehr klaren Bild wenig bis gar keine Wünsche offen. Ich hätte es am liebsten direkt auf meinem AR belassen, obwohl oder gerade weil es auch einen gewissen Stilbruch darstellt. Schafft man sich solch ein ZF für ca. 1800 Euro zzgl. Montageringe für ca. 150 Euro an, ist es auf einem Präzisionsgewehr wegen der größeren Reichweite natürlich sinnvoller aufgehoben. Erhältlich ist es hierzulande z.B. über die Firma Fortmeier http://www.ior-optik.de/ . Weitere technische Daten sind auf dieser österreichischen Seite einsehbar: http://www.ior-optik.com/Seite123.html .

 

 

Spektiv Zeiss Diascope 85 & Laser-Entfernungsmesser Leica CRF 1600-B

Zeiss Diascope 85

Im Bericht zu meiner Savage 10 BA (hier weiterlesen) habe ich bereits erwähnt, dass für mich die Möglichkeit besteht, auch auf Ziele jenseits der Entfernung von 300m zu schießen. Diese Tatsache hat mich dazu gebracht, den Kauf einer neuen Optik für eine geeignete Trefferbeobachtung überhaupt erst in Erwägung zu ziehen. Zunächst war jedoch noch nicht klar, ob die Beobachtung durch ein Spektiv oder durch ein Zielfernrohr erfolgen soll. Folgende Szenarien gingen mir durch den Kopf:

  1. Beobachtung der eigenen Trefferlage durch das eigene ZF. Gravierend wirkt sich hier meine Anschlagsart aus: Beim Präzisionsschießen ziehe ich das Gewehr kaum in die Schulter, stütze es vorne mit einem Zweibein ab, lege es hinten auf einem Ohrensack auf und betätige den Abzug dann, indem ich nur noch mit dem Daumenansatz gegenhalte. So hätte ich definitiv Probleme bekommen, vor dem Einschlagen des Projektils wieder mit der Visierlinie ins Ziel zu kommen (Nachtrag vom 15.11.15: Diese Anschlagsart habe ich mir wieder abgewöhnt, sie hat zu Präzisionsverlust bei mir geführt!!!). Also wäre die Schussbeobachtung durch das ZF erst noch zu erlernen gewesen und teuer wäre es obendrein, falls ein neues ZF fällig gewesen wäre. Solche Disziplinen, bei denen der eigene Treffer durch das ZF beobachtet wird, sind mir von Wettkämpfen aus den USA bekannt und hier wird sicherlich ein hohes Mass an Können gefordert.
  2. Beobachtung fremder Trefferlagen mit dem eigenen ZF. Voraussetzung dafür wäre, dass sich ein Team aus zwei Schützen bildet, welche beide qualitativ hochwertige Gläser besitzen und sich gegenseitig spotten. Auch hier wäre ein entsprechendes neues Glas nicht billig geworden – sofern es notwendig gewesen wäre. Aber Erfolge beim Schießen hätten sich sicherlich schneller eingestellt, als alles im Alleingang zu machen.
  3. Das klassische Team aus Schütze und Spotter. Hier wäre ein Spektiv die sinnvollste Anschaffung und das auch noch ohne große Kompromisse, was die optische Leistungsfähigkeit angeht. Dazu leicht zu bedienen und auch mal für Beobachtungen der anderen Art zu gebrauchen – was auch immer man sich da anschauen mag …

Leider wird dadurch die Ausrüstung richtig sperrig und günstig ist diese Lösung auch nicht – aber immerhin vielseitiger, was den späteren Verwendungszweck angeht.

Neben der reinen Beobachtung der Geschossflugbahn bleibt natürlich noch die Notwendigkeit der Entfernungsmessung, die man nicht außer Acht lassen sollte. Rumballern und ZF nachjustieren, bis man irgendwann etwas trifft geht natürlich immer, aber etwas professioneller sieht das schon mit einer „Drop Chart“ aus, die man für sein Gewehr erstellen kann und diesen Anspruch habe ich nun einmal auch. Zielfernrohre mit integrierten Entfernungsmessern sind richtig teuer und die günstige Alternative, Entfernungen mit einem Mil-Absehen zu ermitteln, wäre mir zu ungenau – aber ich bin ja auch kein Profi.

Optik mit Zubehör:

Unter all´ diesen Gesichtspunkten fiel meine Wahl deshalb letztendlich auf ein Spektiv mit separatem Entfernungsmesser, weil es mir als geringstes finanzielles Risiko durch vielseitigste Verwendung bei einfachster Anwendung erschien.

Das komplette Zubehör, das ich mir für den Einsatz beim Long Range Shooting zugelegt habe, möchte ich in diesem Beitrag vorstellen. Dabei erhebe ich keinen Anspruch darauf, die besten Entscheidungen getroffen zu haben. Ich wollte lediglich mitteilen, welche Faktoren diese beeinflusst haben.

Als der Groschen erst mal gefallen war, stand fest, dass ich mir meine Ausrüstung nicht zweimal kaufen wollte und habe deshalb nur nach hochwertigen Optiken Ausschau gehalten: Zeiss Diascope 85, Swarovski ATX/ATM und Zeiss Spotter 60 – all´ diese Optiken gehören meiner Meinung nach zur Oberklasse (zumindest zu der, die ich mir gerade noch so leisten kann). Zu allen Geräten lassen sich die technischen Daten natürlich direkt miteinander vergleichen, ich will mich daher auf die subjektiven Eindrücke beschränken. Zwischen dem Diascope 85 – für das ich mich später entschieden habe – und dem ATM/ATX mit 80mm Objektivdurchmesser konnte ich keine gravierenden Unterschiede feststellen, hier würde ich mich im Zweifelsfall aber immer für den größeren Objektivdurchmesser entscheiden (das Diascope hat gemäss dem Namen 85mm, das Swarovski wie erwähnt 80mm und das Spotter 60 hat einen von 72mm). Das Spotter 60 hat im direkten Vergleich zum Diascope und zum Swarovski auch ein größeres Sichtfeld, ein auf Knopfdruck beleuchtetes Absehen, drei Picatinny-Schienen auf 3-, 9- und 12-Uhr und einen Geradeinblick bei recht kompakter Bauweise. Für den militärischen Bereich konzipiert, hat es hier natürlich einige Vorteile gegenüber den anderen Spektiven. Von der Auflösung her konnte ich keine Unterschiede feststellen, obwohl der Besitzer des Spotter 60 meinte, sein Gerät ergäbe ein besseres Bild als das Diascope 85. Hier möchte ich nebenbei darauf hinweisen, dass ich Spektive miteinander verglichen habe, die ungefähr in einer Preisklasse lagen. Das Swarovski gibt es natürlich auch mit 95mm Objektivdurchmesser oder in einer Variante mit beleuchtetem Absehen, aber das fiel bei mir finanziell definitiv aus dem Rahmen.

Bei allen oben erwähnten Optiken muss man in diesem Fall mit Preisen zwischen 2800 und 3200 Euro rechnen, wenn man mit 20- bis 60-facher Vergrößerung zufrieden ist. Speziell für die Modelle Diascope und ATM/ATX gibt es aber auch Okulare, die eine bis zu 70-fache Vergrößerung aufweisen und nochmal ein wenig teurer sind.

Ich hatte Glück und habe das Diascope 85 inklusive 20- bis 70-fach vergrößerndem Okular für einen Gesamtpreis von 2100 Euro als Neuware bei Ebay entdeckt und zugeschlagen. Für diesen Preis konnte ich mich dann auch leichter damit abfinden, kein Spotter 60 zu kaufen – schade, das Teil hätte schon was her gemacht, der Preis hätte aber auch geschmerzt…

Wenn man nun schon bereit ist, soviel Geld in eine Optik zu stecken, dann sollte man beim Stativ nicht anfangen zu sparen. Ich habe mich beraten lassen und bin letztendlich beim MT190XPro3 von Manfrotto gelandet (die „3“ steht für insgesamt 3 Beinsegmente, die das Stativ besitzt). Es ist sehr stabil und ausgesprochen vielseitig anwendbar. Die Höhenverstellung durch Auszug der Teleskopbeine und des Mittelrohrs reichen aus, um bei einer Körpergröße von 1,85m von oben in das Spektiv mit Schrägeinblick schauen zu können. Ich bin mir sicher, dass ein Spektiv mit Geradeinblick bei dieser Körpergröße auch noch im Stehen bedient werden kann, denn das Mittelrohr kann man zusätzlich auch noch um ca. 300mm ausfahren. Kauft man das Stativ ohne weiteres Zubehör, besitzt es auf der Anschlussplatte ein starres 3/8“-Aussengewinde. Für das Stativ sollte man einen Neupreis von ca. 170 Euro einkalkulieren.

 

 

Was als Zubehör unbedingt noch zu empfehlen ist, ist der Getrieberegler Junior MA 410 von Manfrotto. Mit diesem Teil lässt sich das Spektiv ziemlich flüssig (nicht absolut ruckelfrei, aber das liegt am voll ausgezogenen Stativ) mittels der beiden großen Drehknöpfe ausrichten. Die Tragfähigkeit des Getriebereglers liegt bei ca. 5kg und für den Fall, dass das Stativ nicht wirklich gerade steht, gibt es einen dritten Drehknopf, der die seitliche Neigung des Spektivs noch regulieren kann. Alle Drehknöpfe besitzen übrigens die Möglichkeit zur Schnellverstellung. Das Spektiv selbst wird auf einer Schnellwechselplatte montiert, die den Auf- und Abbau erheblich erleichtert. Für den Kauf dieses Getriebereglers sollte man nochmals ca. 170 Euro einplanen, diese Investition lohnt sich aber auf jeden Fall! Es gibt ihn noch in einer größeren Variante mit einer Tragkraft bis zu 7kg. Diese (Typ MA 405) kostet allerdings gleich doppelt so viel und die wichtigsten Drehknöpfe (Verstellung horizontal und vertikal) sind nicht mehr im Winkel von 90° angeordnet, sondern zeigen beide in geringem Abstand zueinander direkt auf den Anwender. Ergonomisch ist das für mich absolut schlecht zu bedienen – ich hab´s ausprobiert! Der Getrieberegler besitzt an seiner unteren Flanschplatte ein 3/8“-Innengewinde und lässt sich einfach auf das o.g. Stativ aufschrauben, bis es von selbst kontert.

 

 

Was auch immer Ihr nun beobachten wollt, die Ausrüstung in dieser Kombination wird einen mit Sicherheit zufrieden stellen. Besonders beindruckend fand ich z.B. die Beobachtung unseres (Voll-)Mondes.

Laser-Entfernungsmesser:

Zur Auswahl standen für mich der Laser-Guide 8×30 von Swarovski und der Leica Rangemaster 1600-B. Ich habe einen Vergleichstest zu beiden Geräten gelesen, in dem ich drei Seiten lang auf eine klare Kaufempfehlung zu einem der beiden Entfernungsmesser (Laser Range Finder, LRF) gewartet habe – doch Fehlanzeige, es ging unentschieden aus. Da das Gerät von Swarovski leider nicht mehr im Handel erhältlich ist (ich denke, der Verkauf der Ferngläser mit integrierter Entfernungsmessung soll gefördert werden) wurde es schließlich jenes von Leica, weil es in Sachen Entfernung einfach die höchste Reichweite bei angemessenem Preis versprach.

Leica CRF 1600-B 24

So einfach war das, deshalb kam ein Zeiss Victory PRF mit maximalen 1200m für mich auch nicht in Frage. An die Liga eines Vectronix Terrapin oder gar eines Vector IV war für mich nicht zu denken, auch wenn ich mit letzterem schon einen Tag lang schießen/messen durfte – klasse Gerät!!! Was die Genauigkeit angeht, so sehe ich beide Geräte (Swarovski & Leica) nach Lesen des Testberichts als gleichwertig an, Swarovski kann aber mit einer höheren Vergrößerung und mit einem größeren Objektivdurchmesser punkten. Zum Vergleich: Der LRF von Leica hat „nur“ 7×24. Außerdem besitzt der LRF von Swarovski gleich ein Stativgewinde am Gehäuse, bei Leica –wie auch bei vielen anderen Herstellern – hat man daran leider gespart. Für ein Gerät, das bis zu einer Entfernung von 1600 Yards (ca. 1420m) für den jagdlichen und sportlichen Einsatz funktionieren soll, ist das meiner Meinung nach am falschen Ende gespart. Das In-der-Hand-Halten kann man bei diesen Distanzen gleich mal vergessen, Auflegen bringt da schon etwas mehr, die beste Lösung wäre aber eine Befestigung auf dem Stativ. Die Vorteile des Leica LRF sehe ich in dem kleinen „Zielfenster“ für den Laserstrahl, der hilft, das zu messende Objekt genau anzupeilen. Beim Swarovski ist der Zielkreis recht groß, weshalb man sich bei kleinen und/oder weit entfernten Objekten fragen mag, ob der Laserstrahl auch wirklich das Ziel getroffen hat. Zudem sind beim Leica LRF ballistische Kurven gängiger Kaliber hinterlegt, die das Schießen unterstützen können. Ich selbst werde mich damit aber weniger befassen, da ich wie bereits erwähnt, eine Drop Chart erstellen will. Inwiefern das Swarvoski noch durch ballistische Funktionen unterstützen kann, ist mir leider nicht bekannt.

Die Bedienungsanleitung und die technischen Daten des Leica Laser-Entfernungsmessers CRF 1600-B können hier herunter geladen werden:

Bedienungsanleitung CRF 1600-B

Technische Daten CRF 1600-B

Quelle: http://de.leica-camera.com/Sportoptik/Entfernungsmesser/Leica-Rangemaster/Downloads

Der Leica LRF funktioniert bisher gut und was mich besonders freut, ist das helle und sehr gut sichtbare Display. Aus der Bedienungsanleitung geht hervor, dass schönstes Sommerwetter wegen der Sonneneinstrahlung nicht unbedingt zu guten Messwerten beiträgt, das Gerät hat unter diesen Bedingungen aber bisher einwandfrei funktioniert. Lediglich bei weißen Verkehrsschildern, sogar im Bereich von unter 80m, versagt die Technik. Ein besseres Beispiel ist die Hochspannungsleitung, die ich aus meinem Dachfenster sehen kann. Ich habe recherchiert, dass die daran befestigten, sogenannten „Luftwarnkugeln“ hierzulande einen Durchmesser von 60cm besitzen. Von diesen Objekten erhielt der Leica LRF bei Abendsonne auf einer Distanz von 830m stets ein gutes Echo, seht Euch dazu bitte den unten verfügbaren Film an.

 

Diese Luftwarnkugeln wurden übrigens auch bei leichtem und mittelschwerem Regen gut erkannt – auf dem folgenden Film mit Regen war aber leider die Schwenkmontage (siehe weiter unten) noch nicht verfügbar, wodurch die eine oder andere Fehlmessungen durch Verwackeln zu erklären ist. Sobald sich eine neue Gelegenheit mit ordentlich Regen bietet, werde ich noch einen Film mit Schwenkmontage aufnehmen.

14.09.2015:

Das Video wurde entfernt, nachfolgend nun die verbesserte Version die ich mit Schwenkmontage aufgenommen habe:

 

Durch das Abfilmen scheint das Display zudem zu flimmern, es ist aber stets gestochen scharf und einwandfrei zu sehen! Die bisher höchste Gemessene Entfernung war übrigens ein Schornstein in einer Entfernung von 1606m – ich war sehr erfreut! Die Umgebungsbedingungen waren allerdings auch sehr gut. Allein die Tatsache, dass das Gerät eine solche Messung durchführen kann, dürfte es auch für Schützen bis zum Kaliber .338 Lapua Magnum interessant erscheinen lassen.

Da das Auflegen des LRF für mich keine Dauerlösung ist, habe ich mir eine kombinierte Montage zusammen mit dem Spektiv auf dem Getrieberegler überlegt. Das Design ist einfach gehalten, der Fokus liegt auf Zweckmäßigkeit.

 

LRF-Schwenkmontage:

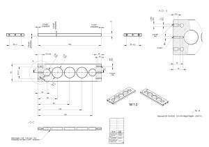
Bei der Konstruktion der Montage standen bei mir zwei Dinge im Fokus: Erstens musste ich eine geeignete Klemmvorrichtung für den LRF entwickeln, da dieser wie bereits erwähnt kein Stativgewinde besitzt und zweitens wollte ich ihn an einer Stelle positionieren, an der der Spotter mit möglichst wenig eigener Bewegung schnellstmöglich Ziele erfassen kann. Hier hat sich der Kauf eines Spektivs mit Schrägeinblick gerächt, aber eines mit Geradeinblick habe ich schlichtweg nicht zu solch einem günstigen Preis bekommen. Problematisch war es deshalb, weil das Spektiv in seiner Gesamthöhe durch das schräge Okular höher baut, als eines mit Geradeinblick. Da man sowohl einäugig durch das Spektiv, als auch durch den LRF blickt, liegt es nahe, beide Okulare möglichst eng beieinander zu positionieren. Durch eine Drehung des LRF um seine Okularachse würde man ggf. sogar noch etwas Platz gewinnen, das hätte aber zur Folge, dass sich alle Anzeigen auf dem Display des LRF mit gedreht hätten – dumm gelaufen. Nach vielen Versuchen mit Alustreben, Klebeband und Verdrehungen des Spektivs in seinem Klemmring, habe ich mich dann dazu entschlossen, das Spektiv nicht zu verdrehen und von schräg oben hinein zu schauen. Sobald man dann aber den Kopf wieder aufrichtet, sollte das Okular des LRF vor dem Auge sein. Um weder bei der Entfernungsmessung, noch beim Spotten mit den Geräten zu kollidieren (Stirn, bzw. Kinn), habe ich für den LRF eine Schwenkmontage konstruiert, die über eine Rändelschraube arretiert werden kann. Ich wollte die Arretierung zunächst bequem durch kleine Neodym-Magnete erreichen, hatte dann aber doch Bedenken wegen der möglichen Auswirkungen auf die Elektronik. Da die Schnellwechselplatte des Manfrotto-Getriebereglers noch Platz für einen zusätzlichen Schraubenkopf hatte, habe ich die Basis der LRF-Montage so ausgeführt, dass das Spektiv demontiert werden kann, wenn der LRF allein benutzt werden soll. Aber auch der LRF ist mit seiner Halterung sehr schnell von seiner Basisplatte demontierbar, dafür sind lediglich zwei Schrauben zu lösen. Durch die beiden Zylinderstifte in der Basis besteht bei der Demontage auch nicht die Gefahr, dass der Entfernungsmesser herunter fällt, da die Halterung weiterhin stabil aufgesteckt bleibt.

Für den Nachbau der Schwenkmontage werden folgende Teile benötigt:

  • 1x Basisplatte
  • Basisplatte
  • 1x Zylinderkopfschraube ISO 4762 M5x14-A2
  • 1x modifizierte Sechskant-Stativschraube 3/8“, Länge >25mm
  • 2x Zylinderstift ISO 8734 4m6x12
  • 1x Strebe 1
  • Strebe 1
  • 2x Linsenkopfschraube mit Innensechskant ISO 7380 M5x16-A2
  • 1x Strebe 2
  • Strebe 2
  • 1x GGB Bundbuchse, Typ BU1207
  • 3x Senkschraube ISO 10642 M3x16-A2
  • 1x LRF Adapter
  • LRF Adapter
  • 1x Stift
  • Stift
  • 2x Zylinderstift ISO 8734 2m6x20
  • 1x Riegel
  • Riegel
  • 2x Zylinderkopfschraube ISO 4762 M3x12-A2
  • 1x Leschhorn Rändelschraube DIN 464 M6-12, Art.-Nr. 10183763
  • 1x Scheibe
  • Scheibe
  • 1x Zylinderkopfschraube ISO 4762 M3x8-A2
  • 1x Passscheibe DIN 988 6x12x0,4
  • Dünnes, doppelseitiges Klebeband
  • Dünne Gummimatte, 0,5mm

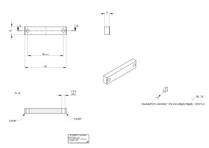
Begonnen wird mit der Stativschraube mit 3/8“-Gewinde, sie muss der originalen Schraube des Spektivs in der Form nachgearbeitet werden und dabei 8mm Länger sein. Zur besseren Befestigung des Spektivs habe ich die Fläche der Basisplatte, auf der später das Spektiv befestigt wird, mit doppelseitigem Klebeband und einer dünnen Gummimatte beklebt.

Leica CRF 1600-B 1

Die längere Spektivschraube wird nun durch die Manfrotto-Schnellwechselplatte geführt und die Basisplatte mit der Zylinderkopfschraube M15x14-A2 befestigt.

Leica CRF 1600-B 2

Eigentlich sollten die Zylinderstifte 4m6x12 in die Strebe 1 gepresst werden und leicht in die Basisplatte gleiten, bei mir wurden die Passungen aber entgegen der Zeichnungen vertauscht gefertigt. Egal, die Funktion blieb auf jeden Fall sinngemäss erhalten. Wie auf dem Bild ersichtlich, habe ich also noch die besagten Zylinderstifte in die Basisplatte gepresst.

Das Spektiv kann jetzt durch Schnellwechselplatte und Basisplatte hindurch mit der modifizierten Stativschraube verschraubt werden, anschließend wird das Ganze auf dem Getrieberegler befestigt. Die Strebe 1 wird dann auf die Basisplatte gesteckt und mit den beiden Linsenkopfschrauben M5x16-A2 fixiert.

 

In die Strebe 2 wird jetzt die Bundbuchse gepresst, sodass der Bund in der Anspiegelung sitzt und leicht hervor steht. Die Strebe 2 kann dann mit den drei Senkschrauben M3x16-A2 an der Strebe 1 befestigt werden.

 

Der Stift wird nun bündig in den LRF-Adapter gepresst, sodass der Zapfen mit dem Gewinde nach unten heraus schaut.

Leica CRF 1600-B 9

Am Ende des LRF-Adapters werden jetzt die Zylinderstifte 2m6x20 hindurch getrieben.

Leica CRF 1600-B 10

An den Innenseiten des Adapters werden dann im oberen Bereich zwei Streifen doppelseitiges Klebeband verklebt, auf die anschließend noch etwas dünne Gummimatte geklebt wird. Der Entfernungsmesser wird anschliessend in den Adapter geschoben, sodass er hinten von den dünnen Zylinderstiften gehalten wird. Durch die dünnen Streifen von Gummimatten sollte der Entfernungsmesser jetzt durch leichten Druck gehalten werden.

 

Den Riegel habe ich mit drei Schichten Klebeband und Gummimatte beklebt, bis er beim Einsetzen in die Aussparung des LRF-Adapters im Kontakt mit dem Entfernungsmesser leicht heraus gestanden hat. Mit den beiden Zylinderkopfschrauben M3x12-A2 wird dieser Riegel dann angeschraubt, wodurch der Entfernungsmesser zusätzlich gegen die Zylinderstifte gepresst wird. Wie auf dem Bild ersichtlich, ist das Batteriefach weiterhin frei zugänglich.

 

Der Adapter mit Entfernungsmesser wird danach in die Strebe 2 eingesetzt und durch die gebogene Langlochfräsung mit der Rändelschraube befestigt. Zuvor muss allerdings noch die Passscheibe 6x12x0,4 zwischen Adapter und Strebe 2 eingelegt werden.

 

Als letztes wird die Scheibe mit der Schraube M3x8-A2 von unten gegen den am Adapter heraus stehenden Stift geschraubt und die Konstruktion ist einsatzbereit!