Die Grundlage für diesen Beitrag war ganz klar Spieltrieb und nichts Anderes. Heraus gekommen ist dabei ein Kompensator (alias Schalldämpfer-Attrappe) ohne den Anspruch auf schiesstechnische Sinnhaftigkeit. Nur „Show & Shine“, da will ich niemandem etwas vormachen.
Die Gesetzeslage in Deutschland erlaubt Attrappen dieser Art, sie sind daher auch frei verkäuflich, obwohl ich persönlich bis jetzt noch nach keiner gesucht habe. Zudem habe ich Kenntnis von Zulassungsbescheiden des BKAs zu halbautomatischen MP5-Systemen, in denen explizit auf die zur Waffe zugehörige und somit im Lieferumfang enthaltene Schalldämpfer-Attrappe hingewiesen wird.
Der Mündungsfeuerdämpfer Hera CC muss zunächst einmal abgeschraubt werden.
Beim Nachbau des Bauteils gemäss Zeichnung weise ich ausdrücklich auf folgende Punkte hin:
- Die Verwendung des Kompensators erfolgt auf eigene Gefahr und eigenes Risiko!
- Es wird keine Garantie für die Richtigkeit der Zeichnung übernommen!
- Je nach Lauf können Anpassungsarbeiten am Bauteil erforderlich sein!
- Anpassungsarbeiten an wesentlichen Bauteilen von Schusswaffen (z.B. Mündungsgewinde am Lauf schneiden) erfordern eine Waffenbearbeitungserlaubnis. Bei Bearbeitung von wesentlichen Bauteilen einer Schusswaffe ohne diese Erlaubnis droht der Verlust aller Sportgeräte und der zugrunde liegenden WBKs!
Folgende Empfehlungen/Infos möchte ich noch erwähnen:
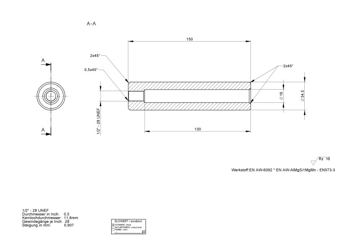
- Die gezeichneten Gewinde ½“-28 UNEF sollen jene von Mil-Spec-Läufen sein, das Bauteil passt aber auch auf ein ½“-28 TPI-Gewinde.
- Das Bauteil unterliegt Schwingungen, wenn es am Lauf angebracht ist. Der Austrittsdurchmesser sollte deshalb für das Kaliber .223 Rem. laut Zeichnung übernommen werden. Eine Kollision mit dem Projektil sollte damit vermieden sein.
Das auf den Bildern zu sehende AR-15 ist das 16,75″ SRB von Hera Arms. Weitere Informationen zu einem Upper aus gleichem Hause mit 18″-Matchlauf gibt es hier. Erprobt wurden das Bauteil bereits, allerdings ohne Beurteilung einer Treffpunktverlagerung. Ich erwarte, dass die grundlegende Präzision der Waffe nicht wirklich beeinträchtigt wird und sich nur das Schussbild in eine neue Richtung verlagert, die dieser neuen Masse schwingungstechnisch geschuldet ist. Ähnliche Erfahrungen habe ich bereits in diesem Bericht mitgeteilt.





