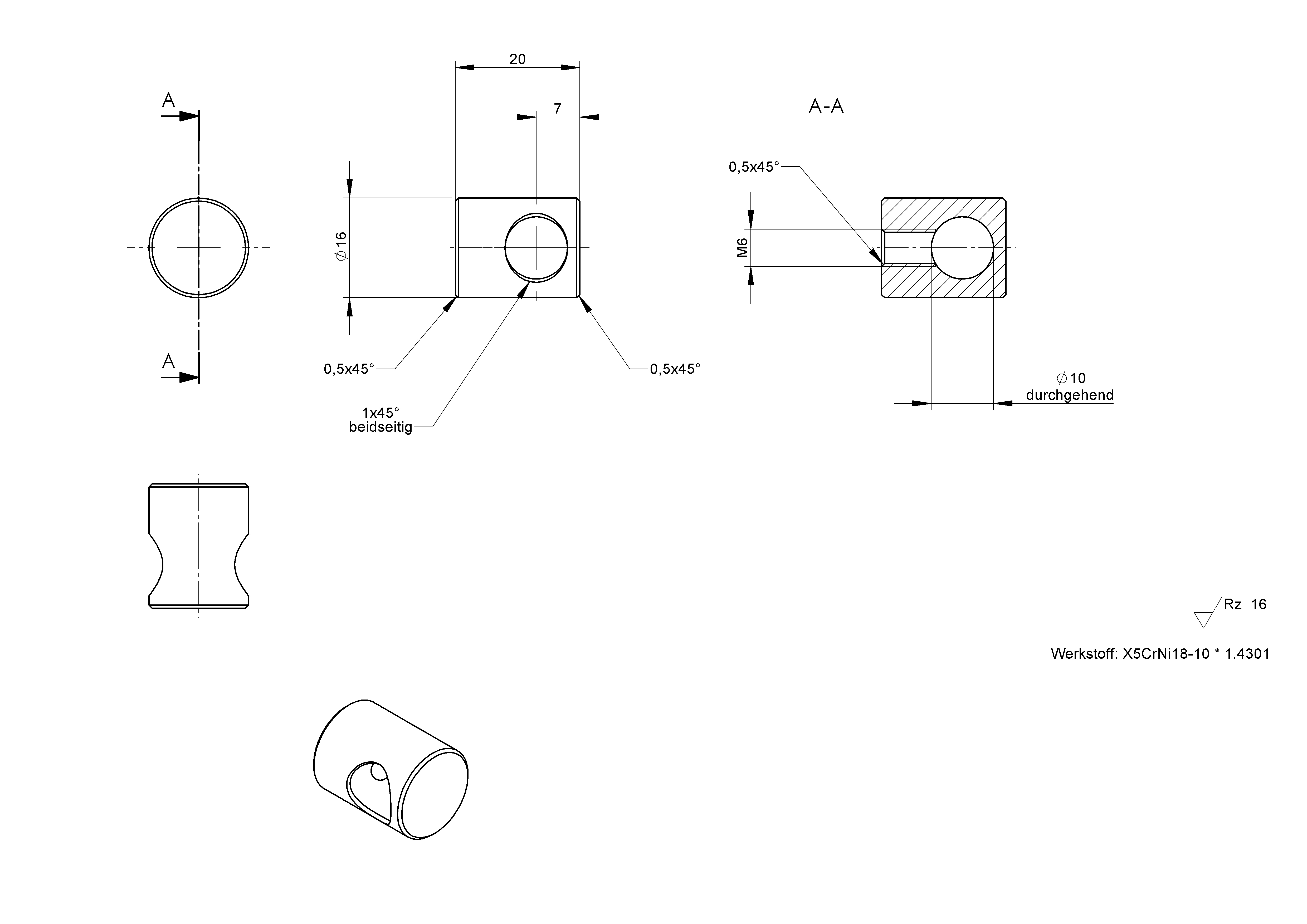
Hier ist eine kurze Anleitung zur Herstellung von abschließbaren Munitionskisten. Es geht mal wieder nicht ohne schweres Gerät: Eine Drehbank und eine Standbohrmaschine sind leider Voraussetzung. Dafür ist die Sache denkbar einfach: Für die Variante 1 wird eine kleine US Munitionskiste (BHT ca. 270x170x80mm), sowie ein Stück Rundmaterial aus Edelstahl und eine Flachkopfschraube ISO 7380 M6x8 – A2 benötigt. Die kleine Munitionskiste hat den Vorteil, dass die Verriegelungslasche einen größeren kreisrunden Ausschnitt besitzt, als z.B. die größeren Muni-Kisten. Zunächst wird das Fertigungsteil laut nachfolgender Zeichnung hergestellt.
Durch den erwähnten Ausschnitt in der Verriegelungslasche wird nun die Stelle am Blechkörper angepeilt und markiert, an der die Bohrung für den Verriegelungsbolzen sitzen soll – mit Rücksicht auf die Schwenkbewegung der Verriegelungslasche sollte die Markierung unterhalb der Mitte des Ausschnitts liegen. Anschließend wird die Kiste an dieser Stelle (liegt wahrscheinlich auf der Blechfalz) gekörnt und mit einem Bohrer vom Durchmesser 5,5mm angebohrt. Der Verriegelungsbolzen wird dann an der Außenseite angesetzt und von innen mit der Flachkopfschraube fixiert. Das nachfolgende Bild zeigt noch meinen Prototypen, an dem der Verriegelungsbolzen angeschweißt wurde. Da dort natürlich die Farbe weggebrannt ist, musste auch noch neu lackiert werden. Das kann man heute aber einfacher haben…
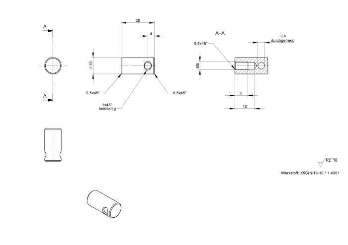
Die Variante 2 habe ich entworfen, weil nach dem Kauf einer Langwaffe einfach mehr Munition und Zubehör transportiert werden musste. Gekauft habe ich dafür eine größere Munitionskiste (BHT ca. 280x335x140mm). Die Arbeitsschritte sind wie oben beschrieben, hier wird diesmal aber eine Schraube ISO 7380 M5x8 – A2 verwendet. Der Unterschied ist hier der Verriegelungsbolzen, der wegen des recht kleinen Lochs in der Verriegelungslasche auch kleiner ausfallen muss. Auch das zu verwendende Schloss muss angepasst sein und einen dünnen Bügel besitzen.
Und hier das Resultat:






Sehr gute Idee. Leider habe ich keine Drehbank zur Verfügung. Kann man das erste Teil auch bei Dir kaufen?
Gruss, Peter
LikeLike
Nachtrag: Das Loch meiner Kiste ist nur 12.3 mm gross. Also geht die Variante 1 nicht
LikeLike